一文吃透 VESC 非线性磁链观测器:从源码到仿真全解析
VESC使用的非线性磁链观测器程序,包含:官方源代码+STM32移植代码+硬件PCB工程+原理图PDF+软件固件+参考文献+文献译文+磁链观测器仿真。第三张图是这份资料的内容展示,非线性磁链观测器的资料有我整理的这一份就足够了,应该是最全的一版,文件包含的具体东西如下:1、《bldc-dev_fw_5_02》为VESC的官方源代码,里面使用了非线性观测器,但是工程很大,功能太多,很难学习,并且使用
VESC使用的非线性磁链观测器程序,包含:官方源代码+STM32移植代码+硬件PCB工程+原理图PDF+软件固件+参考文献+文献译文+磁链观测器仿真。 第三张图是这份资料的内容展示,非线性磁链观测器的资料有我整理的这一份就足够了,应该是最全的一版,文件包含的具体东西如下: 1、《bldc-dev_fw_5_02》为VESC的官方源代码,里面使用了非线性观测器,但是工程很大,功能太多,很难学习,并且使用了操作系统,很难自己使用。 2、《ARM_PMSM_磁链观测器》为STM32F405407平台的代码,原本采用VF启动+smo方案。 在该代码框架上,移植了VESC的无感非线性观测器代码,可以0速启动。 3、《参考论文-本杰明位置速度观测器》为VESC非线性观测器的文献出处。 4、《中文翻译-本杰明位置速度观测器》是本人翻译的,能力有限,但原理都解释的很清楚了。 5、《PCB》整理了板卡PCB工程,这个资料非常难得, 6、《原理图PDF》整理了各个版本的原理图PDF。 7、《参考资料》整理了注入SVPWM、高频注入、矢量控制、无扇区SVPWM等知识点; 《磁链观测器仿真》包含对应的仿真一份,可以正常运行,波形见图; 《软件固件、VESC官方使用手册》整理的是软件及手册,供参考;

嘿,各位搞电机控制的小伙伴们!今天来给大家分享一份超全的 VESC 非线性磁链观测器资料,绝对是电机控制领域的宝藏。
一、资料全貌
先给大家唠唠这份资料到底有多丰富。从官方源代码到移植代码,再到硬件相关以及各种参考资料、仿真,一应俱全。就像第三张图展示的那样,应该是目前最全面的一版非线性磁链观测器资料了。
二、官方源代码(《bldc - dev_fw_5_02》)
这是 VESC 的官方源代码,里面用到了非线性观测器。不过呢,这个工程就像个“巨无霸”,功能繁多,学起来难度不小。而且还使用了操作系统,这对咱想自己上手用的人来说,门槛有点高。举个例子,里面可能会有类似这样复杂的任务调度代码:
// 假设这是官方代码中某个任务调度函数示例
void task_scheduler() {
// 检查各个任务的优先级
if (task1.priority > task2.priority) {
task1.execute();
} else {
task2.execute();
}
// 还有很多其他任务的处理逻辑
}
这段代码简单模拟了任务调度的部分逻辑,实际官方代码里会更加复杂,不同任务间的交互和资源管理会让新手摸不着头脑。
三、STM32 移植代码(《ARM_PMSM_磁链观测器》)
这个就很贴心了,是基于 STM32F405/407 平台的代码。原本采用 VF 启动 + smo 方案,然后在这个框架上移植了 VESC 的无感非线性观测器代码,最厉害的是能实现 0 速启动。咱们来看一段移植后可能关键的初始化代码:
// 磁链观测器初始化
void flux_estimator_init() {
// 设置一些观测器参数
observer.param1 = DEFAULT_PARAM1;
observer.param2 = DEFAULT_PARAM2;
// 初始化相关变量
observer.angle = 0;
observer.flux = 0;
// 配置 ADC 采样相关设置
ADC_InitTypeDef ADC_InitStruct;
ADC_InitStruct.ADC_Resolution = ADC_Resolution_12b;
ADC_InitStruct.ADC_ScanConvMode = DISABLE;
// 其他 ADC 配置项...
HAL_ADC_Init(&hadc1, &ADC_InitStruct);
}
这里初始化了磁链观测器的参数和相关变量,还配置了 ADC 采样,因为要获取电机的电流等信息来进行磁链观测。通过这样的初始化,为后续精确的磁链观测打下基础。
四、参考文献(《参考论文 - 本杰明位置速度观测器》)
这可是 VESC 非线性观测器的文献出处,是理论基础所在。里面详细阐述了非线性观测器的原理,为代码实现提供了理论支撑。要是想深入理解为什么这么写代码,就一定要好好研究这篇论文。
五、文献译文(《中文翻译 - 本杰明位置速度观测器》)
原论文可能是英文的,对于英文不太好的小伙伴,这份译文就太实用了。虽然译者谦虚说能力有限,但原理都解释得很清楚。通过看译文,能更轻松地理解文献中的关键知识点。
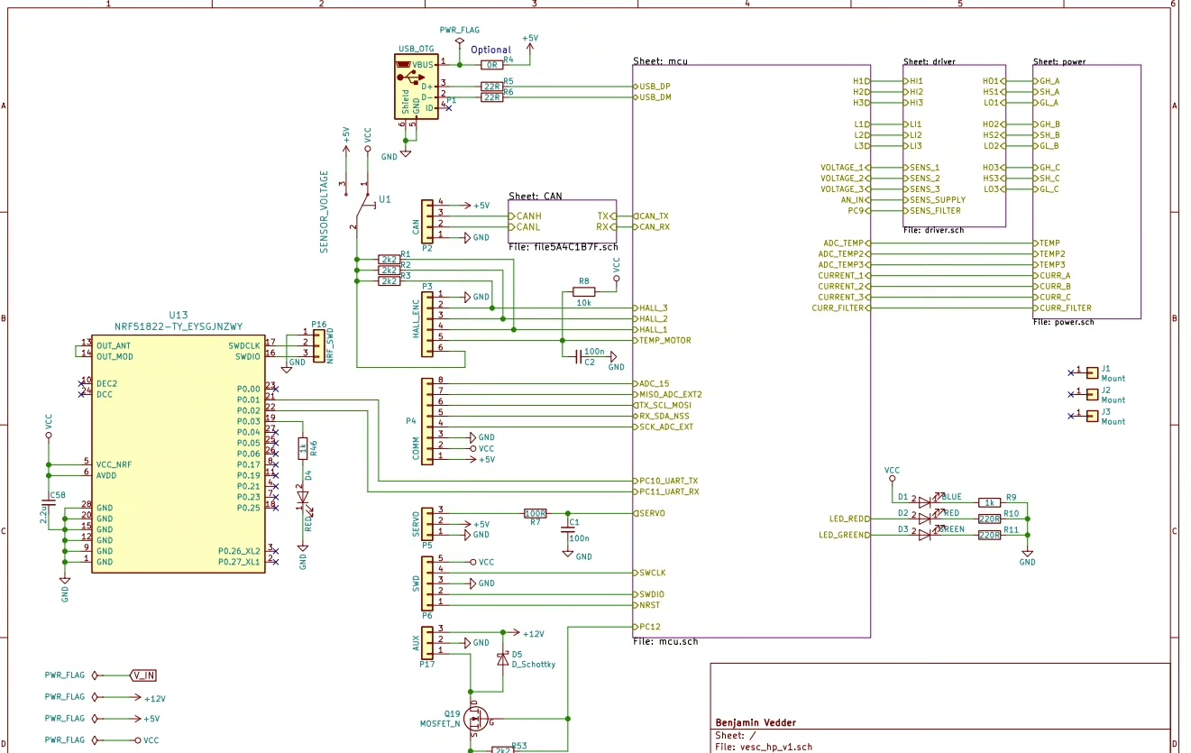
六、硬件 PCB 工程(《PCB》)和原理图 PDF(《原理图 PDF》)
这两份资料非常难得。PCB 工程能让我们直观看到硬件的布局布线,原理图 PDF 则详细展示了各个版本的电路原理。比如从原理图中我们能看到电机驱动电路的设计:
// 简单示意电机驱动电路部分原理图逻辑
VCC ---- MOSFET1 ---- Motor Phase A
|
---- MOSFET2 ---- Motor Phase B
|
---- MOSFET3 ---- Motor Phase C
通过这样的原理图,我们能明白硬件是如何配合软件来驱动电机的。
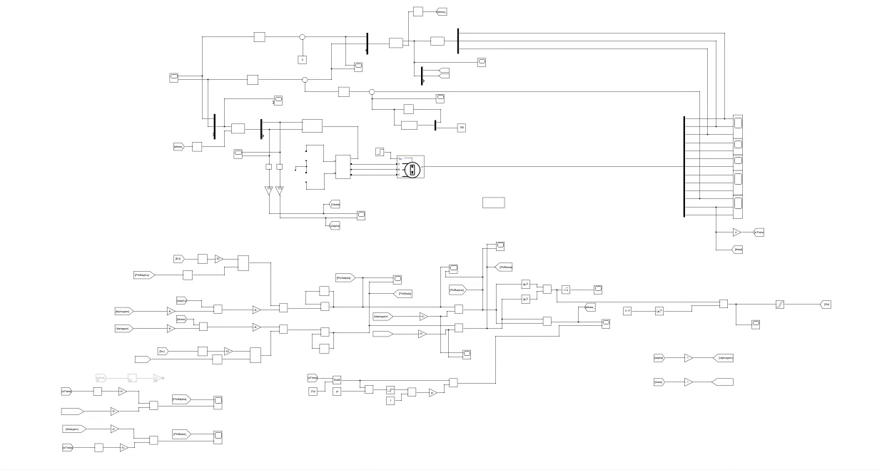
七、参考资料和仿真
《参考资料》整理了注入 SVPWM、高频注入、矢量控制、无扇区 SVPWM 等知识点,是电机控制知识的大集合。而《磁链观测器仿真》包含一份能正常运行的仿真,通过仿真波形可以验证磁链观测器的性能。比如通过观察电流、磁链波形的变化,来判断观测器是否准确工作:
% 假设这是一段简单的磁链观测器仿真验证代码
% 运行仿真模型
sim('flux_observer_simulation.slx');
% 获取仿真结果中的磁链波形数据
flux_waveform = simout.flux;
% 绘制磁链波形
figure;
plot(time, flux_waveform);
xlabel('Time (s)');
ylabel('Flux (Wb)');
title('Magnetic Flux Waveform');
这段 Matlab 代码简单展示了如何获取并绘制仿真中的磁链波形,通过对波形的分析,可以进一步优化磁链观测器的设计。

VESC使用的非线性磁链观测器程序,包含:官方源代码+STM32移植代码+硬件PCB工程+原理图PDF+软件固件+参考文献+文献译文+磁链观测器仿真。 第三张图是这份资料的内容展示,非线性磁链观测器的资料有我整理的这一份就足够了,应该是最全的一版,文件包含的具体东西如下: 1、《bldc-dev_fw_5_02》为VESC的官方源代码,里面使用了非线性观测器,但是工程很大,功能太多,很难学习,并且使用了操作系统,很难自己使用。 2、《ARM_PMSM_磁链观测器》为STM32F405407平台的代码,原本采用VF启动+smo方案。 在该代码框架上,移植了VESC的无感非线性观测器代码,可以0速启动。 3、《参考论文-本杰明位置速度观测器》为VESC非线性观测器的文献出处。 4、《中文翻译-本杰明位置速度观测器》是本人翻译的,能力有限,但原理都解释的很清楚了。 5、《PCB》整理了板卡PCB工程,这个资料非常难得, 6、《原理图PDF》整理了各个版本的原理图PDF。 7、《参考资料》整理了注入SVPWM、高频注入、矢量控制、无扇区SVPWM等知识点; 《磁链观测器仿真》包含对应的仿真一份,可以正常运行,波形见图; 《软件固件、VESC官方使用手册》整理的是软件及手册,供参考;

最后还有《软件固件、VESC 官方使用手册》,供大家参考。总之,这份资料从理论到实践,从软件到硬件,是电机控制爱好者和工程师们不可多得的学习宝库。希望大家都能从这份资料中有所收获,在电机控制领域更上一层楼!






更多推荐



所有评论(0)